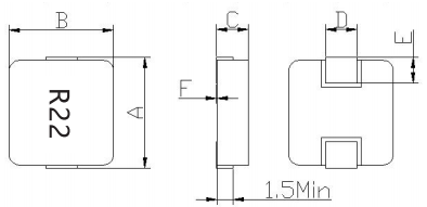
料号/尺寸单位;MM
| 规格料号 | A | B | C | D | E | F | G | H | I |
| FHW4015/4020一体成型电感 | 4.6 | 4.2 | 1.5/2.0 | 2.0 | 1.0 | 0.15 | 1.75 | 2.5 | 1.5 |
| FHW5020/5030一体成型电感 | 5.6 | 5.3 | 2.0/3.0 | 2.0 | 2.3 | 0.15 | 1.75 | 2.5 | 1.5 |
| FHW6020一体成型电感 | 7.6 | 6.6 | 2.0 | 3.0 | 1.5 | 0.15 | 3.7 | 3.43 | 1.83 |
| FHW6024一体成型电感 | 7.6 | 6.6 | 2.4 | 3.0 | 1.5 | 0.15 | 3.7 | 3.43 | 1.83 |
| FHW0630一体成型电感 | 7.6 | 6.6 | 3.0 | 3.0 | 1.5 | 0.15 | 3.7 | 3.43 | 1.83 |
| FHW0650一体成型电感 | 7.6 | 6.6 | 5.0 | 3.0 | 1.5 | 0.15 | 3.7 | 3.43 | 1.83 |
| FHW8050一体成型电感 | 8.0 | 9.0 | 5.0 | 3.0 | 1.5 | 0.15 | 4.4 | 3.5 | 2.5 |
| FHW1040一体成型电感 | 11.0 | 10.0 | 4.0 | 3.0 | 2.0 | 0.15 | 6.0 | 4.0 | 3.25 |
| FHW1050一体成型电感 | 11.0 | 10.0 | 5.0 | 3.0 | 2.0 | 0.15 | 6.0 | 4.0 | 3.25 |
| FHW1250一体成型电感 | 13.2 | 12.8 | 5.0 | 3.8 | 2.5 | 0.15 | 8.0 | 4.5 | 3.25 |
| FHW1260/1265一体成型电感 | 13.2 | 12.8 | 6.0/6.5 | 3.8 | 2.5 | 0.15 | 8.0 | 4.5 | 3.25 |
| FHW1770一体成型电感 | 17.5 | 17.5 | 7.0 | 2.0 | 12 | 0.15 | 9.2 | 13.0 | 4.6 |
| FHW2213一体成型电感 | 22.0 | 22.0 | 13.0 | 5.0 | 18.6 | 0.15 | 11.5 | 18.8 | 5.8 |
10年电感生产销售供应,非凡品质遥遥领先;
公司产品销售遍及国内、华东、华南、西北、东北等多个地区;
极速发货,库存充足.
急速发货,库存充足
强大团队协作能力带来更快的发货速度;
库存准备充分,大量现货;
来料检验.
来料专人检验
建立最完善的品质管理体系;
从物料入库到出库检测都严格把控;
熟练的品检队伍保障物料质量稳定,最大程度保障您的使用;
优质的售后服务,尊享高枕无忧
优质的售后服务,尊享高枕无忧
具有专业级团队,提供上门支持服务,派遣专业的技术人员上门指导协商,解决技术难题;
根据客户问题,提供准确的解答;







